📐 ´ÜÀ§º¯È¯±â
Untitled Document
ÁÖ¹®¹è¼ÛÁ¶È¸
Àå¹Ù±¸´Ï
°ü½É»óǰ
ȸ¿øÁ¤º¸¼öÁ¤
ȸ¿øÅ»Åð
HOME > Á¦Ç°¼Ò°³ > 2Â÷ÀüÁö Àü¿ë
Á¦¸ñ
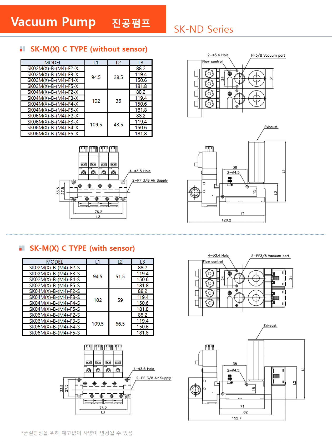
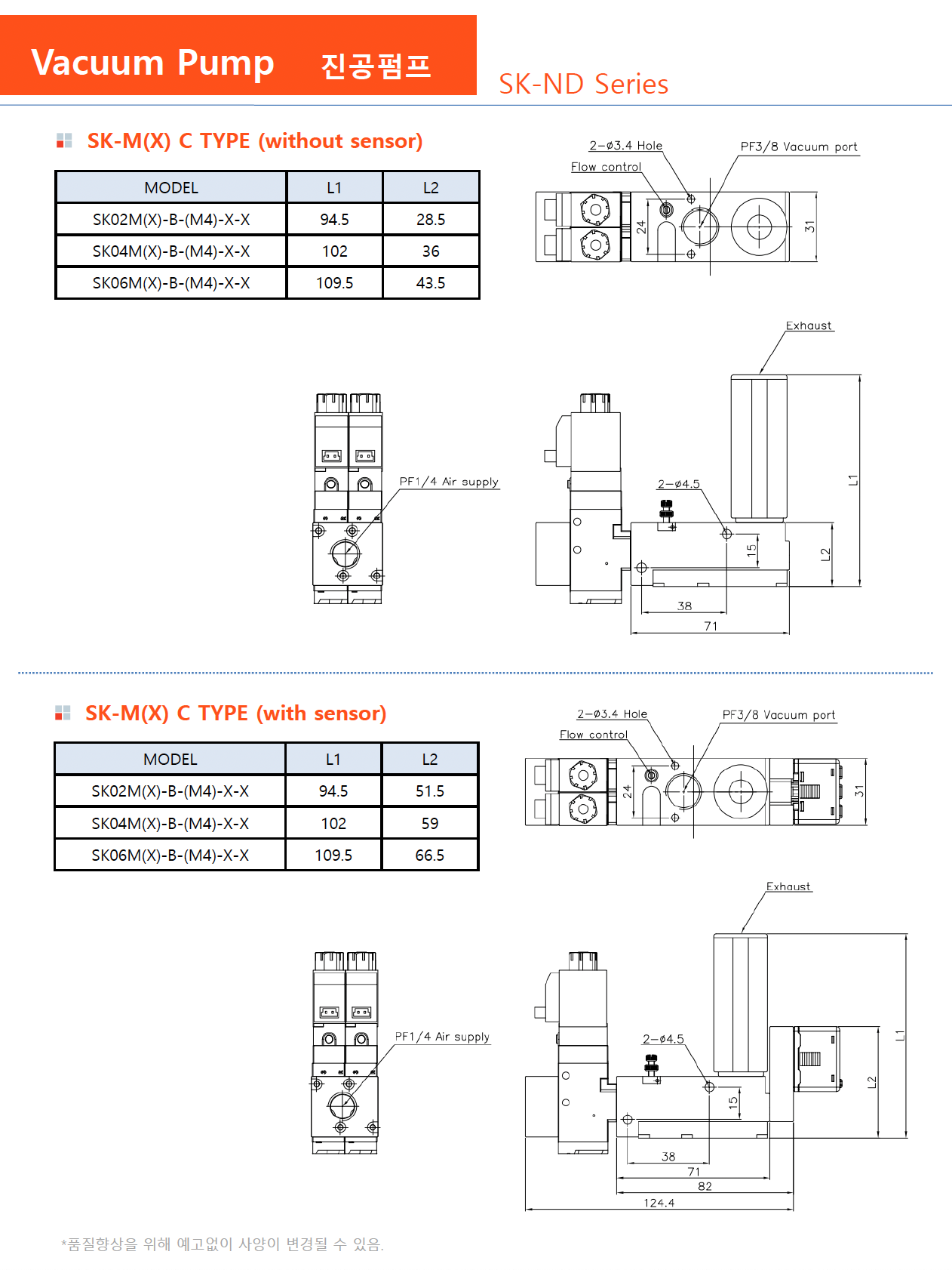
[VACUUM PUMP] SK-ND SERIES
-
¡Ø µµ¸é ¹× ¿äû»çÇ×Àº ivac@ivackorea.kr ·Î ¿äûÇϽøé, ȸ½ÅÇØµå¸®°Ú½À´Ï´Ù.
ÀÚ·á´Â ÁغñÁßÀ¸·Î ¿Ï·áµÇ´Â´ë·Î °Ô½Ã¹°¿¡ ÷ºÎµÉ¿¹Á¤ÀÔ´Ï´Ù.
÷ºÎÆÄÀÏ
SK04-C-M4-X-ND.dwg
´Ù¿î·Îµå : 361
SK-ND.pdf
´Ù¿î·Îµå : 0